Assa Abloy CliqGO N482 Nikl

Elektronická jednostranná cylindrická vložka N482 Cliq GO Swiss nabízí moderní řešení pro bezpečné a flexibilní řízení přístupů. Systém Cliq GO umožňuje snadnou správu přístupových práv prostřednictvím mobilní aplikace nebo cloudu, takže změny lze provádět rychle a bez nutnosti výměny vložky. Vložka je speciálně konstruována pro švýcarský profil dveří a je určena pro švýcarský trh. Je vhodná pro kancelářské budovy, malé a střední firmy či samostatné podnikatele, kteří požadují spolehlivé a přehledné zabezpečení. Robustní konstrukce garantují vysokou odolnost proti vloupání. Vložka je bezúdržbová a navržená pro dlouhodobý provoz.

Bez klíče
Popis produktu
  • Elektronická nebo mechanická verze s ochranou proti pootočení (V=)
  • Napájení je zajištěno výhradně klíčem (vložka neobsahuje baterii)
  • Mosazné komponenty pouzdra vložky
  • Standardní povrchová úprava, poniklovaný satén (OF=MV)
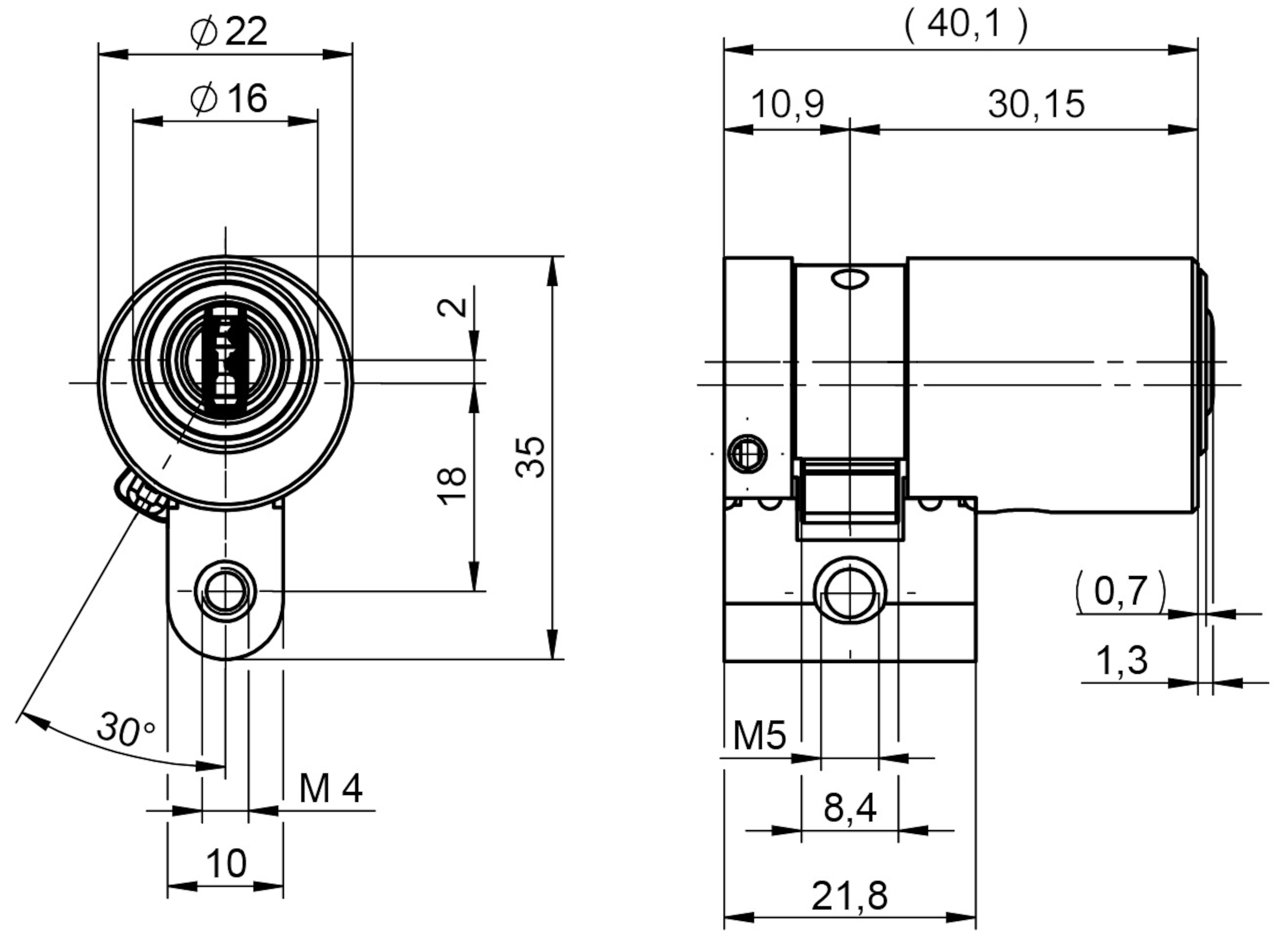
  • Základní délka cylindrické vložky 30 mm (A) (L=30) – k dispozici jsou i jiné montážní délky – flexibilní modulární systém
  • Standardní poloha uzamykacího palce (SST=8x45)
  • Palec z nerozbitné, korozivzdorné nerezové oceli
  • Nevyžaduje údržbu až do 200 000 cyklů
  • Krytí proti stříkající vodě IP54
  • Standardně s pevným připojením VAR=STARR a volně nastavitelným palcem SST=FLEX.
  • Funkce volnoběhu pouze bez VAR=STARR.
Volitelné
  • Volitelně k dispozici pro použití v prostředí s nebezpečím výbuchu v zóně 1 (ATEX=II 2G Ex ib IIC T4 Gb)
  • K dispozici je prachová a dešťová krytka (SUR=1) IP55
  • Volitelně s SST=FZG (viz informace o funkci FZG v návodu k obsluze)
  • Volitelně k dispozici s ochranou proti odvrtání třídy 2 (AB=2)
  • K dispozici jiná poloha uzamykacího palce (SST=12x30)
Obsah balení
  • 1 Jednostranná cylindrická vložka, CH profil
  • 1 Upevňovací šroub M5 x 85 mm
Objednací údaje
  • Funkce volného chodu pouze bez VAR=STARR

Cookie consent

This video is hosted by YouTube. By showing the external content you accept the terms and conditions of www.youtube.com.

*Your choice will be saved in a cookie until you have closed your browser.